Насос AquaViva LX LP200T/OS200T 27 м3/ч (2HP, 380В)
Описание
Основное назначение насоса AquaViva LX LP200T/OS200T 27 м³/ч (2HP, 380В) – это обеспечение подачи и рециркуляции воды на противотоках и различных водных аттракционах. Максимальный объем обслуживаемых резервуаров составляет 100 куб.м. Агрегат оснащен электродвигателем асинхронного типа с защитой от перегрузок. Это трехфазный насос без префильтра с высокой производительность, низким уровнем шума и экономичным расходом электроэнергии. Корпус устройства выполнен из термопластика, а приводной вал из легированной стали, что делает насос более надежным и долговечным. Агрегат можно использовать при температуре воздуха от -10 до + 50 градусов Цельсия и влажности до 95 процентов.
ОСОБЕННОСТИ:
Переменная скорость: Нет
Макс. объем обслуживаемого бассейна, л.: 100 000
Назначение насоса: Противотоки/аттракционы
Количество фаз: 3 (380-400В)
Производительность, м³/ч (при h): 27 при 8 м
Соединение: 63 мм
Входная мощность, кВт: 1.5
Выходная мощность, л.с.: 2
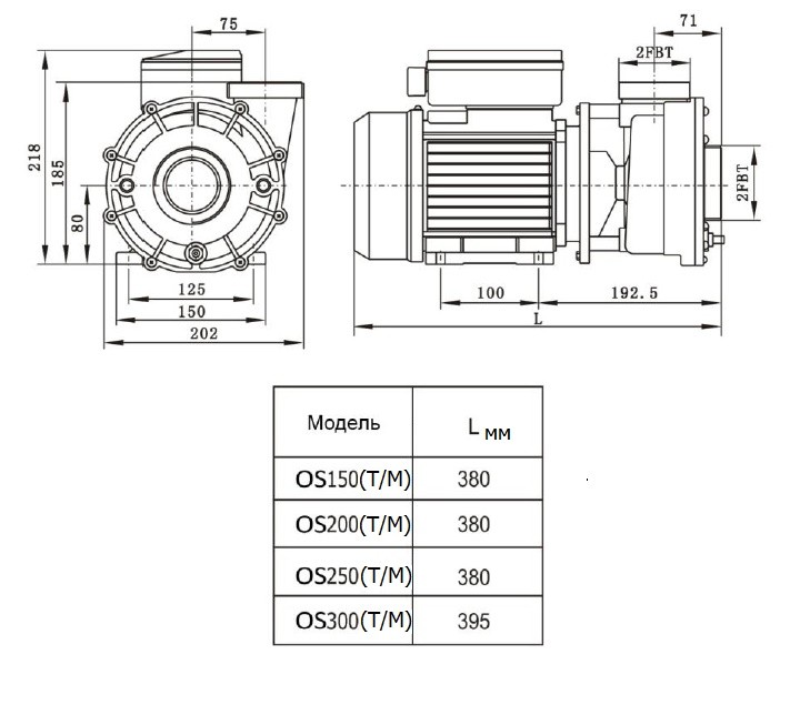
Размер: 380х218х202мм
Производитель: Aquaviva
Гарантия: 24 месяца
Страна производитель: Китай
ОСОБЕННОСТИ:
- Корпус насоса, опора и диффузор: термопластик
- Температурный режим: от -10 до + 50 С
- Относительная влажность воздуха: до 95%
- Класс изоляции: F
- Класс водозащиты: IP 55
- Термическая защита
- Защита от перегрева
- Количество фаз: 3
Основные характеристики
Наличие префильтра: НетПеременная скорость: Нет
Макс. объем обслуживаемого бассейна, л.: 100 000
Назначение насоса: Противотоки/аттракционы
Количество фаз: 3 (380-400В)
Производительность, м³/ч (при h): 27 при 8 м
Соединение: 63 мм
Входная мощность, кВт: 1.5
Выходная мощность, л.с.: 2
Размер: 380х218х202мм
Производитель: Aquaviva
Гарантия: 24 месяца
Страна производитель: Китай
Характеристики
|
Страна производства
|
Китай |
|
Гарантия
|
24 месяца |
Задать вопрос
Отзывы
Задать вопрос
Будьте всегда в курсе!
Узнавайте о скидках и акциях первым
Новости
Все новости
29 апреля 2026
Режим работы на майские праздники
4 марта 2026
Режим работы в праздничные дни
17 февраля 2026
Режим работы магазина 23 февраля



































































